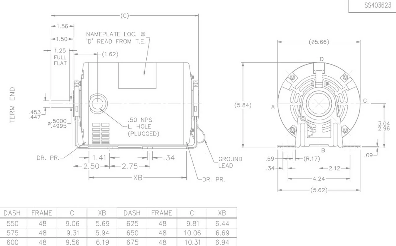
- 1/3 hp 1800/1200 RPM, 5.3/2.9 amps, 115 Volts 60 Hz, Split Phase
- NEMA 48 Frame Keyed Shaft 1/2″ Diameter x 1 1/2″
- Service Factor = 1.0, Thermal Protection = Automatic
- Resilient Base, Reversible, Ball Bearings, Class B insulation
- 1 Year Manufacture Warranty
Attic Fan Motors are used to cheaply vent attic spaces requiring only intermittent motor activation. ODP = Open Drip Proof. 048S17D7209



















Reviews
There are no reviews yet.